Руководства на все автомобили



1. Инструкция по эксплуатации
2. Двигатель
3. Сцепление
4. Коробка передач
5. Подвески
6. Рулевое управление
7. Тормозная система
8. Колеса и шины
9. Кузов
10. Электрооборудование
10.0 Электрооборудование
10.1. Измерение напряжения
10.2 Установка дополнительных электропринадлежностей
10.3. Поиск неисправностей в электрооборудовании
10.4 Реле
10.5 Электродвигатель дворников
10.6 Система указателей поворотов
10.7 Стоп-сигнал
10.8 Звуковой сигнал
10.9 Обогрев заднего стекла
10.10 Замена предохранителей
10.11. Аккумуляторная батарея
10.12 Контрольные лампы
10.13 Светодиоды
10.14 Стабилизатор напряжения
10.15 Приборы управления
10.16 Валик спидометра
10.17. Генератор
10.18. Стартер
10.19. Система освещения и сигнализации
10.20. Электросхемы
10.20.1 Электросхемы
10.20.2 Расшифровка цвета проводников
10.20.3 Комплект предохранителей
10.20.4 Идентификация электросхем
10.20.5 Инструкция по использованию электросхемы
10.20.6 Обозначение элементов в электросхемах
10.20.7 Генератор, аккумуляторная батарея, стартер, замок зажигания
10.20.8 Система зажигания, блок управления системой впрыска Digifant
10.20.9 Блок управления впрыском топлива Digifant, блок самодиагностики
10.20.10 Блок управления системы впрыска топлива Digifant
10.20.11 Щиток приборов: контрольные приборы
10.20.12 Щиток приборов: спидометр, лампы указателей поворотов и тормозов
10.20.13 Щиток приборов: тахометр, датчик тормозной системы
10.20.14 Вентилятор (150W, 250W) и дополнительный насос системы охлаждения
10.20.15 Подключение радиоприемника, прикуривателя и подкапотной лампы
10.20.16 Освещение салона
10.20.17 Фары
10.20.18 Система регулировки фар
10.20.19 Выключатели поворота, аварийной сигнализации, парковочных огней
10.20.20 Указатели поворота, задние фары
10.20.21 Выключатель освещения, подсветка номерного знака
10.20.22 Противотуманные фары, огни заднего хода
10.20.23 Вентиляторы систем охлаждения (150, 250W), обогрева и вентиляции
10.20.24 Обогрев заднего стекла и звуковой сигнал
10.20.25 Стеклоочиститель и стеклоомыватель лобового стекла
10.20.26 Стеклоочиститель и стеклоомыватель заднего стекла
10.20.27 Дизель: система предварительного подогрева, клапан отсечки топлива
10.20.28 Дизель: щиток приборов, контрольные лампы
10.20.29 Дизель: щиток приборов, тахометр, контрольные лампы
10.20.30 Дизель: радиоприемник, прикуриватель и подкапотная лампа
10.20.31 Дизель: противотуманные фары, огни заднего хода
10.20.32 Дизель: вентилятор обогрева, дополнительный насос охлаждения
10.20.33 Дизель: вентиляторы системы охлаждения (2 х 350W)
10.20.34 Дизель (ABL): система нейтрализации отработанных газов
10.20.35 Дизель (ABL): свечи накаливания, дополнительный насос охлаждения
10.20.36 Дизель (АВВ): система предварительного подогрева, отсечка топлива
10.20.37 Дизель (АВВ): дополнительный насос системы охлаждения
10.20.38 Система центральной блокировки дверей
10.20.39 Двигатели замков задних дверей
10.20.40 Подключение дополнительного аккумулятора с ноября 1990 г.
10.20.41 Буквенное обозначение важнейших приборов


Ссылки на другие сайты
 

Автомобиль Volkswagen Transporter (Фольксваген Транспортёр)



Все автомобили  »  Volkswagen Transporter (Фольксваген Транспортёр) .

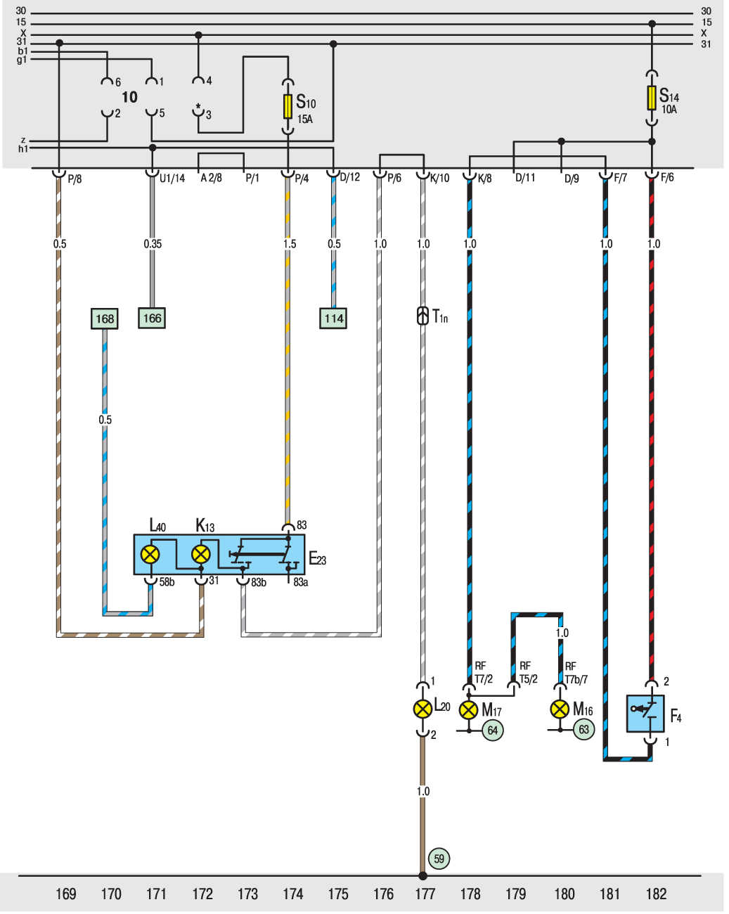
10.20.31 Дизель: противотуманные фары, огни заднего хода

10.20.31. Дизель: противотуманные фары, огни заднего хода

ОБЩИЕ СВЕДЕНИЯ

КРОМЕ АВТОМОБИЛЕЙ С ГРУЗОВОЙ ПЛАТФОРМОЙ

 Дизель: противотуманные фары, огни заднего хода Volkswagen Transporter
Е23. Выключатель противотуманных огней
F4. Выключатель огней заднего хода
К13. Контрольная лампа противотуманных огней
L20. Лампа противотуманной фары
L40. Лампа подсветки выключателя противотуманных фар и габаритных огней
М16. Лампа левого стоп-сигнала
М17. Лампа правого стоп-сигнала
Т1n. Одноконтактный штекероколо правой задней фары
T5. Пятиконтактный разъем на правой задней фаре
Т7. Семиконтактный разъем на правой задней фаре
Т7b. Семиконтактный разъем на левой задней фаре
59. Точка подключения к массе около левой задней фары
63. Точка подключения к массе на держателе ламп левой задней фары
64. Точка подключения к массе на держателе ламп правой задней фары


Hosted by uCoz